PRODUCT OVERVIEW
RKFS Series special direct-connected (common YE3, multi-speed D, variable frequency YVP, braking YEJ, variable frequency braking YVPJ) three-phase asynchronous motors have the characteristics of high efficiency, large starting torque, low noise and good heat dissipation performance. Widely used in the transmission field of food, beer and beverage, petrochemical, warehousing and logistics, lifting and transportation industries. Due to the adoption of advanced production technology and the introduction of multi-skilled personnel, the company's product application has taken a leading position in the transmission field. At present, it has sold well to manufacturers all over the country, and everyone said it was good after using it!
Technical Date
|
Model |
Output |
Rated Current(A) |
Speed (r/min) |
Efficiency n% |
Efficiency at 75%load |
Efficiency at 50%load |
Power factor |
Rated Torque Nm |
Tstart/Tn |
Ist/ln |
Tmax/Tn |
Weight (kg) |
|||
|
kw |
HP |
380V |
400V |
415V |
|||||||||||
|
380V 50Hz Synchronous Speed 1500r/min(4 poles) |
|||||||||||||||
|
D631-4 |
0.12 |
0.18 |
0.39 |
0.37 |
0.36 |
1320 |
64.8 |
64.8 |
63.5 |
0.72 |
0.87 |
2.1 |
4.4 |
2.2 |
4.8 |
|
D632-4 |
0.18 |
0.25 |
0.54 |
0.51 |
0.49 |
1320 |
69.9 |
69.9 |
68.5 |
0.73 |
130 |
2.1 |
4.4 |
2.2 |
5.3 |
|
D711-4 |
0.25 |
0.37 |
0.70 |
0.66 |
0.64 |
1340 |
73.5 |
73.5 |
72.0 |
0.74 |
1.78 |
2.1 |
5.2 |
2.2 |
6.8 |
|
D712-4 |
0.37 |
0.5 |
0.97 |
0.92 |
0.89 |
1340 |
77.3 |
77.3 |
75.8 |
0.75 |
2.64 |
2.1 |
5.2 |
2.2 |
7.7 |
|
D80M1-4 |
0.55 |
0.75 |
1.38 |
1.31 |
1.26 |
1400 |
80.8 |
80.8 |
79.2 |
0.75 |
3.75 |
2.4 |
5.2 |
2.3 |
9.1 |
|
D80M2-4 |
0.75 |
1 |
1.84 |
1.75 |
1.69 |
1420 |
82.5 |
82.5 |
80.9 |
0.75 |
5.04 |
2.3 |
6.6 |
2.3 |
11.1 |
|
D90S-4 |
1.1 |
1.5 |
2.61 |
2.48 |
2.39 |
1445 |
84.1 |
84.1 |
82.4 |
0.76 |
7.27 |
2.3 |
6.8 |
2.3 |
15 |
|
D90L-4 |
1.5 |
2 |
3.47 |
3.3 |
3.18 |
1445 |
85.3 |
85.3 |
83.6 |
0.77 |
9.91 |
2.3 |
7.0 |
2.3 |
19 |
|
D100L1-4 |
2.2 |
3 |
4.76 |
4.52 |
4.36 |
1450 |
86.7 |
86.7 |
85.0 |
0.81 |
14.6 |
2.3 |
7.6 |
2.3 |
25.4 |
|
D100L2-4 |
3 |
4 |
6.34 |
6.02 |
5.8 |
1450 |
87.7 |
87.7 |
85.9 |
0.82 |
20.0 |
2.3 |
7.6 |
2.3 |
30.5 |
|
D112M-4 |
4 |
5.5 |
8.37 |
7.95 |
7.66 |
1450 |
88.6 |
88.6 |
86.8 |
0.82 |
26.5 |
2.2 |
7.8 |
2.3 |
37 |
|
D132S-4 |
5.5 |
7.5 |
11.2 |
10.7 |
10.3 |
1460 |
89.6 |
89.6 |
87.8 |
0.83 |
36.0 |
2.0 |
7.9 |
2.3 |
48.5 |
|
D132M-4 |
7.5 |
10 |
15.0 |
14.3 |
13.7 |
1460 |
90.4 |
90.4 |
88.6 |
0.84 |
49.1 |
2.0 |
7.5 |
2.3 |
60 |
|
D160M-4 |
11 |
15 |
21.5 |
20.4 |
19.7 |
1465 |
91.4 |
91.4 |
89.6 |
0.85 |
71.7 |
2.2 |
7.7 |
2.3 |
92.5 |
|
D160L-4 |
15 |
20 |
28.8 |
27.3 |
26.3 |
1465 |
92.1 |
92.1 |
90.3 |
0.86 |
97.8 |
2.2 |
7.8 |
2.3 |
107 |
|
D180M-4 |
18.5 |
25 |
35.3 |
33.5 |
32.3 |
1470 |
92.6 |
92.6 |
90.7 |
0.86 |
120.2 |
2.0 |
7.8 |
2.3 |
181 |
|
D180L-4 |
22 |
30 |
41.8 |
39.7 |
38.3 |
1470 |
93.0 |
93.0 |
91.1 |
0.86 |
142.9 |
2.0 |
7.8 |
2.3 |
209 |
|
D200L-4 |
30 |
40 |
56.6 |
53.8 |
51.8 |
1475 |
93.6 |
93.6 |
91.7 |
0.86 |
194.2 |
2.0 |
7.3 |
2.3 |
284 |
|
D225S-4 |
37 |
50 |
69.6 |
66.1 |
63.7 |
1485 |
93.9 |
93.9 |
92.0 |
0.86 |
237.9 |
2.0 |
7.4 |
2.3 |
328 |
|
D225M-4 |
45 |
60 |
84.4 |
80.2 |
77.3 |
1485 |
94.2 |
94.2 |
92.3 |
0.86 |
289.4 |
2.0 |
7.4 |
2.3 |
363 |
|
Model |
Output |
Rated Current(A) |
Speed (r/min) |
Efficiency η% |
Efficiency at 75%load |
Efficiency at 50%load |
Power factor |
Rated Torque Nm |
Tstart/Tn |
Ist/in |
Tmax/Tn |
Weight (kg) |
|||
|
kw |
HP |
380V |
400V |
415V |
|||||||||||
|
380V 50Hz Synchronous Speed 1000r/min(6poles) |
|||||||||||||||
|
D632-6 |
0.12 |
0.18 |
0.53 |
0.50 |
0.48 |
855 |
57.7 |
57.7 |
56.5 |
0.60 |
1.37 |
1.8 |
3.5 |
1.9 |
6.2 |
|
D711-6 |
0.18 |
0.25 |
0.65 |
0.62 |
0.59 |
855 |
63.9 |
63.9 |
62.6 |
0.66 |
2.01 |
1.9 |
4.0 |
2.0 |
9.3 |
|
D712-6 |
0.25 |
0.37 |
0.81 |
0.77 |
0.75 |
855 |
68.6 |
68.6 |
67.2 |
0.68 |
2.79 |
1.9 |
4.0 |
2.0 |
9.7 |
|
D80M1-6 |
0.37 |
0.5 |
1.09 |
1.04 |
1.00 |
890 |
73.5 |
73.5 |
72.0 |
0.70 |
3.97 |
1.9 |
4.7 |
2.0 |
12.2 |
|
D80M2-6 |
0.55 |
0.75 |
1.50 |
1.43 |
1.38 |
890 |
77.2 |
77.2 |
75.7 |
0.72 |
5.90 |
1.9 |
4.7 |
2.1 |
13.2 |
|
D90S-6 |
0.75 |
1 |
2.03 |
1.93 |
1.86 |
935 |
78.9 |
78.9 |
77.3 |
0.71 |
7.66 |
2.0 |
6.0 |
2.1 |
14 |
|
D90L-6 |
1.1 |
1.5 |
2.83 |
2.69 |
2.59 |
945 |
81.0 |
81.0 |
79.4 |
0.73 |
11.1 |
2.0 |
6.0 |
2.1 |
18 |
|
D100L-6 |
1.5 |
2 |
3.78 |
3.59 |
3.47 |
949 |
82.5 |
82.5 |
80.9 |
0.73 |
15.1 |
2.0 |
6.5 |
2.1 |
29.5 |
|
D112M-6 |
2.2 |
3 |
5.36 |
5.09 |
4.91 |
955 |
84.3 |
84.3 |
82.6 |
0.74 |
22.0 |
2.0 |
6.6 |
2.1 |
32 |
|
D132S-6 |
3 |
4 |
7.20 |
6.84 |
6.59 |
968 |
85.6 |
85.6 |
83.9 |
0.74 |
29.6 |
2.0 |
6.8 |
2.1 |
43 |
|
D132M1-6 |
4 |
5.5 |
9.46 |
8.99 |
8.66 |
968 |
86.8 |
86.8 |
85.1 |
0.74 |
39.5 |
2.0 |
6.8 |
2.1 |
49 |
|
D132M2-6 |
5.5 |
7.5 |
12.7 |
12.0 |
11.6 |
968 |
88.0 |
88.0 |
86.2 |
0.75 |
54.3 |
2.0 |
7.0 |
2.1 |
59 |
|
D160M-6 |
7.5 |
10 |
16.2 |
15.4 |
14.8 |
970 |
89.1 |
89.1 |
87.3 |
0.79 |
73.8 |
2.0 |
7.0 |
2.1 |
82 |
|
D160L-6 |
11 |
15 |
23.1 |
22.0 |
21.2 |
970 |
90.3 |
90.3 |
88.5 |
0.80 |
108.3 |
2.0 |
7.2 |
2.1 |
118.5 |
|
D180L-6 |
15 |
20 |
30.9 |
29.3 |
28.2 |
978 |
91.2 |
91.2 |
89.4 |
0.81 |
146.5 |
2.0 |
7.3 |
2.1 |
197 |
|
D200L1-6 |
18.5 |
25 |
37.8 |
35.9 |
34.7 |
980 |
91.7 |
91.7 |
89.9 |
0.81 |
180.3 |
2.0 |
7.3 |
2.1 |
234 |
|
D200L2-6 |
22 |
30 |
44.8 |
42.5 |
41.0 |
980 |
92.2 |
92.2 |
90.4 |
0.81 |
214.4 |
2.0 |
7.4 |
2.1 |
251 |
|
D225M-6 |
30 |
40 |
59.1 |
56.2 |
54.1 |
980 |
92.9 |
92.9 |
91.0 |
0.83 |
292.3 |
2.0 |
6.9 |
2.1 |
308 |
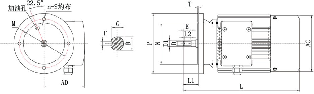
Installation and overall dimensions

|
Base number |
Power (kw) |
D |
D1 |
L1 |
L2 |
E |
P |
M |
N |
T |
S |
n |
G |
F |
AC |
AD |
Ordinary motor |
Brake motor |
Variable frequency motor |
Variable frequency brake motor |
|
D71K4 D71C4 D71D4 |
0.18 0.25 0.37 |
10 |
14 |
36 |
17 |
18.5 |
120 |
100 |
80 |
3 |
6.6 |
4 |
8.6 |
2 |
150 |
108 |
293 |
345 |
333 |
402 |
|
41.5 |
160 |
130 |
110 |
3.5 |
9 |
|||||||||||||||
|
47.5 |
200 |
165 |
130 |
3.5 |
11 |
|||||||||||||||
|
D80K4 D80N4 |
0.55 0.75 |
12 |
17 |
36 |
19 |
20.5 |
120 |
100 |
80 |
3 |
6.6 |
4 |
10 |
3 |
165 |
115 |
315 |
368 |
353 |
405 |
|
41.5 |
160 |
130 |
110 |
3.5 |
9 |
|||||||||||||||
|
47.5 |
200 |
165 |
130 |
3.5 |
11 |
|||||||||||||||
|
52.5 |
250 |
215 |
180 |
4 |
14 |
|||||||||||||||
|
62.5 |
300 |
265 |
230 |
4 |
14 |
|||||||||||||||
|
D90S4 D90L4 |
1.1 1.5 |
14 |
20 |
36 |
21 |
22.5 |
120 |
100 |
80 |
3 |
6.6 |
4 |
12 |
3 |
180 |
123 |
354 |
406 |
383 |
462 |
|
41.5 |
160 |
130 |
110 |
3.5 |
9 |
|||||||||||||||
|
47.5 |
200 |
165 |
130 |
3.5 |
11 |
|||||||||||||||
|
53.5 |
250 |
215 |
180 |
4 |
14 |
|||||||||||||||
|
62.5 |
300 |
265 |
230 |
4 |
14 |
|||||||||||||||
|
D100M4 D100L4 |
2.2 3 |
16 |
22 |
36 |
24 |
26 |
120 |
100 |
80 |
3 |
6.6 |
4 |
13.4 |
4 |
210 |
136 |
412 |
469 |
435 |
525 |
|
44 |
160 |
130 |
110 |
3.5 |
9 |
|||||||||||||||
|
52 |
200 |
165 |
130 |
3.5 |
11 |
|||||||||||||||
|
56 |
250 |
215 |
180 |
4 |
14 |
|||||||||||||||
|
62 |
300 |
265 |
230 |
4 |
14 |
|||||||||||||||
|
68 |
350 |
300 |
250 |
5 |
18 |
|||||||||||||||
|
D112M4 |
4 |
18 |
25 |
44 |
27.2 |
29 |
160 |
130 |
110 |
3.5 |
9 |
4 |
5.4 |
4 |
232 |
150 |
441 |
504 |
464 |
554 |
|
53 |
200 |
165 |
130 |
3.5 |
11 |
|||||||||||||||
|
58 |
250 |
215 |
180 |
4 |
14 |
|||||||||||||||
|
63 |
300 |
265 |
230 |
4 |
14 |
|||||||||||||||
|
69 |
350 |
300 |
250 |
5 |
18 |
|||||||||||||||
|
D132S4 D132M4 D132L4 |
5.5 7.5 9.2 |
22 |
30 |
44 |
34.2 |
36 |
160 |
130 |
110 |
3.5 |
9 |
4 |
18.5 |
5 |
275 |
160 |
490 |
558 |
518 |
625 |
|
56 |
200 |
165 |
130 |
3.5 |
11 |
|||||||||||||||
|
61 |
250 |
215 |
180 |
4 |
14 |
|||||||||||||||
|
66 |
300 |
265 |
230 |
4 |
14 |
|||||||||||||||
|
72 |
350 |
300 |
250 |
5 |
18 |
|||||||||||||||
|
79 |
400 |
350 |
300 |
5 |
18 |
8 |
||||||||||||||
|
87 |
450 |
400 |
350 |
5 |
18 |
|||||||||||||||
|
D160M4 D160L4 (cast iron shell) |
11 15 |
28 |
36 |
61 |
37.5 |
41 |
200 |
165 |
130 |
3.5 |
11 |
4 8 |
23.9 |
6 |
330 |
255 |
160M: 587 160L: 631 |
160M: 677 160L: 721 |
160M: 625 60L: 669 |
160M: 694 160L: 738 |
|
66 |
250 |
215 |
180 |
4 |
14 |
|||||||||||||||
|
71 |
300 |
265 |
230 |
4 |
14 |
|||||||||||||||
|
77 |
350 |
300 |
250 |
5 |
18 |
|||||||||||||||
|
84 |
400 |
350 |
300 |
5 |
18 |
|||||||||||||||
|
92 |
450 |
400 |
350 |
5 |
18 |
|||||||||||||||
|
100 |
550 |
450 |
450 |
5 |
18 |
|||||||||||||||
|
D180M4 D180L4 (cast iron shell) |
18.5 22 |
32 |
40 |
66 |
37.5 |
41 |
250 |
215 |
180 |
4 |
14 |
4 |
27.3 |
8 |
380 |
280 |
180M: 682 180L: 720 |
180M: 758 180L: 796 |
180M: 702 180L: 740 |
180M: 808 180L: 846 |
|
71 |
300 |
265 |
230 |
4 |
14 |
|||||||||||||||
|
77 |
350 |
300 |
250 |
5 |
18 |
|||||||||||||||
|
84 |
400 |
350 |
300 |
5 |
18 |
8 |
||||||||||||||
|
92 |
450 |
400 |
350 |
5 |
18 |
|||||||||||||||
|
100 |
550 |
500 |
450 |
5 |
18 |
|||||||||||||||
|
D200L4 D225S4 D225M4 (cast iron shell ) |
30 37 45 |
38 |
50 |
71 |
37.5 |
41 |
300 |
265 |
230 |
4 |
14 |
4 8 |
33 |
10 |
200L: 420 225 Machine base 470 |
200L: 305 225 Machine base 335 |
200L: 721 225S: 756 225M:786 |
200L: 847 225S: 892 225M: 922 |
200L: 76 225S: 803 225M: 833 |
200L: 858 |
|
77 |
350 |
300 |
250 |
5 |
18 |
|||||||||||||||
|
84 |
400 |
350 |
300 |
5 |
18 |
|||||||||||||||
|
92 |
450 |
400 |
350 |
5 |
18 |
|||||||||||||||
|
100 |
550 |
500 |
450 |
5 |
18 |
ZHEJIANG QIZHI MOTOR CO., LTD. is a professional production of various kinds of small and medium-sized modern enterprise, the main products include ME2 series Grundfos high-efficiency aluminum motor, Direct-Drive Three-Phase Asynchronous Motor, IE1 series three-phase asynchronous motor, IE2 series three-phase asynchronous motor, IE3 series super efficient three-phase asynchronous motor, YD series pole-changing multi-speed three phase asynchronous electric motor, YDT series three-phase consequent-poles asynchronous motor, YCT series electromagnetic speedregulating motor, MS series three-phase asynchronous motor with aluminium housing, YVF2 series three-phase frequency controlled asynchronous motor, YVF2 series of frequency conversion aluminum shell speed three-phase asynchronous motor, YEJ series electromagnetic braking three-phase asynchronous motor, YC/YCL series heavy-duty single-phase capacitors start induction motor, MLYL seriessingle-phase dual-capacitor induction motor, YYB Series pump for three-phase asynchronous motor, IRG/SW Single stage single pipette centrifugal pump, CDLICDLF stainless steel vertical multistage pump, etc. OEM Direct-Drive Three-Phase Asynchronous Motor Factory
ZHEJIANG QIZHI MOTOR CO., LTD. depending on the talent for the enterprise development, with strong technology research and development team, has the industry's most advanced automated nc production equipment, advanced technology and equipment, usingadvanced design software for product design, perfect modern management system, strictly in accordance with "ISO-9001"national quality management system certification, production to make the success rate of new product development speed and improve, for the same industry leading level. As Custom Direct-Drive Three-Phase Asynchronous Motor Suppliers, the company has advanced motor testing equipment, to guarantee product quality, won the domestic andforeign customers a wide range of trust and praise, the company through the Chinese CCC certification and CQC certification, ISO-
9001 international quality system certification, CE certification, SGS certification (ROHS), and obtained the national electrical products export quality license, with our continuously innovation in the face of the market; The products sell well all over the country and exported to southeast Asia, Germany, Italy, Poland, Britain, France, the Middle East, South America, Africa, Asia, etc. More than 80 countries and regions. In domestic widely used in air compressor, washing machine, water pump, fan, mechanical industry, reducer, such as the host.
We would like to more higher quality product, more lower preferential price, complete thoughtul pre-sale, sale, after-sale service, cooperate with friends from all walks of life, hand in hand advance together, altogether will create the glorious future.
Founded in
company area
Employees
Exported countries