Product overview
YVF2 series three-phase frequency controlled asynchronous motor possesses a wide range of speed regulation.it can match with a variety of convertor to compreise an A.C sleepless adjustable frequency driving system.At low speed(5~50Hz),this motor can run smoothly under constant torque oscillation,and has a larger starting torque and a smaller starting current and delivers constant output power at high speed(50~100Hz).lts mounting arrangements and mounting dimensions are all according to Y series three-phase asynchronous motor.As cooling fan in built in so under different speeds the coolong effects is good.
Technical data:
Centre height of frame:80~355mm
Power range:0.55~315kW
Rated voltage:380V ( special should order)
Rated frequency:50Hz or 60Hz
Protection class:IP54 or IP55
Insulation class:F
Duty type:S1

4 poles
|
Model |
Nominal Capacity kw |
Nominal Current A |
Rated Torque N.m |
|
YVF2 801-4 |
0.55 |
1.8 |
3.5 |
|
YVF2 802-4 |
0.75 |
2.3 |
4.7 |
|
YVF2 90S-2 |
1.1 |
3 |
7 |
|
YVF2 90L-4 |
1.5 |
4.1 |
9.8 |
|
YVF2 100L1-4 |
2.2 |
5.5 |
14 |
|
YVF2 100L2-4 |
3 |
7.5 |
19 |
|
YVF2 112M-4 |
4 |
9.6 |
25 |
|
YVF2 132S-4 |
5.5 |
12.7 |
35 |
|
YVF2 132M-4 |
7.5 |
17 |
47.5 |
|
YVF2 160M-4 |
11 |
24.8 |
70 |
|
YVF2 160L-4 |
15 |
33 |
95 |
|
YVF2 180M-4 |
18.5 |
37.7 |
117.5 |
|
YVF2 180L-4 |
22 |
44.5 |
140 |
|
YVF2 200L-4 |
30 |
59.6 |
190 |
|
YVF2 225S-4 |
37 |
73.2 |
235 |
|
YVF2 225M-4 |
45 |
88.4 |
286 |
|
YVF2 250M-4 |
55 |
107.5 |
350 |
|
YVF2 280S-4 |
75 |
146.6 |
477 |
|
YVF2 280M-4 |
90 |
172.5 |
572.5 |
6 poles
|
Model |
Nominal Capacity kw |
Nominal Current A |
Rated Torque N.m |
|
YVF2 90S-6 |
0.75 |
2.5 |
7 |
|
YVF2 90L-6 |
1.1 |
3.5 |
10.5 |
|
YVF2 100L-6 |
1.5 |
4.4 |
14 |
|
YVF2 112M-6 |
2.2 |
6.1 |
21 |
|
YVF2 132S-6 |
3 |
7.9 |
28.5 |
|
YVF2 132M1-6 |
4 |
10.3 |
37.5 |
|
YVF2 132M2-6 |
5.5 |
13.8 |
52.5 |
|
YVF2 160M-6 |
7.5 |
18.7 |
71 |
|
YVF2 160L-6 |
11 |
27 |
105 |
|
YVF2 180L-6 |
15 |
34.6 |
142.5 |
|
YVF2 200L1-6 |
18.5 |
39.6 |
176 |
|
YVF2 200L2-6 |
22 |
46.8 |
210 |
|
YVF2 225M-6 |
30 |
62.5 |
285.5 |
|
YVF2 250M-6 |
37 |
75.6 |
352.5 |
|
YVF2 280S-6 |
45 |
89.6 |
429 |
|
YVF2 280M-6 |
55 |
110 |
525 |
|
|
- |
- |
- |
|
- |
- |
- |
- |
|
- |
- |
- |
- |
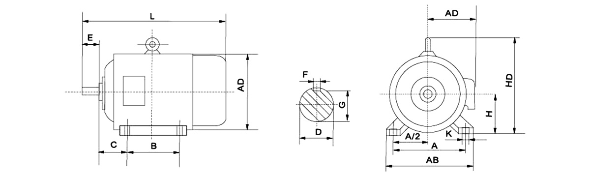
Outline and mounting dimensions
|
Frame Number |
Poles |
Mounting Dimensions |
Overall Dimensions |
||||||||||||
|
A |
B |
C |
D |
E |
F |
G |
H |
K |
AB |
AC |
AD |
HD |
L |
||
|
YVF2 80 |
4 |
125 |
100 |
50 |
50 |
40 |
6 |
15.5 |
80 |
10 |
165 |
175 |
150 |
175 |
370 |
|
YVF2 90S |
4 |
140 |
100 |
56 |
56 |
50 |
8 |
20 |
90 |
10 |
180 |
195 |
160 |
195 |
385 |
|
YVF2 90 L |
4.6 |
140 |
125 |
56 |
56 |
50 |
8 |
20 |
90 |
10 |
180 |
195 |
160 |
195 |
410 |
|
YVF2 100L |
4.6 |
160 |
140 |
63 |
63 |
60 |
8 |
24 |
100 |
12 |
205 |
215 |
180 |
245 |
465 |
|
YVF2 112M |
4.6 |
190 |
140 |
70 |
70 |
60 |
8 |
24 |
112 |
12 |
245 |
240 |
190 |
265 |
470 |
|
YVF2 132S |
4.6 |
216 |
140 |
89 |
89 |
80 |
10 |
33 |
132 |
12 |
280 |
275 |
210 |
315 |
535 |
|
YVF2 132M |
4.6 |
216 |
178 |
89 |
89 |
80 |
10 |
33 |
132 |
12 |
280 |
275 |
210 |
315 |
575 |
|
YVF2 160M |
4.6 |
254 |
210 |
108 |
108 |
110 |
12 |
37 |
160 |
15 |
330 |
355 |
265 |
385 |
665 |
|
YVF2 160L |
4.6 |
254 |
254 |
108 |
108 |
110 |
12 |
37 |
160 |
15 |
330 |
355 |
265 |
385 |
710 |
|
YVF2 180M |
4.6 |
279 |
241 |
121 |
121 |
110 |
14 |
42.5 |
180 |
15 |
355 |
380 |
285 |
430 |
750 |
|
YVF2 180L |
4.6 |
279 |
279 |
121 |
121 |
110 |
14 |
42.5 |
180 |
15 |
355 |
380 |
285 |
430 |
790 |
|
YVF2 200L |
4.6 |
318 |
305 |
133 |
133 |
110 |
16 |
49 |
200 |
19 |
395 |
420 |
315 |
475 |
850 |
|
YVF2 225S |
4 |
356 |
286 |
149 |
149 |
110 |
18 |
53 |
225 |
19 |
435 |
475 |
345 |
530 |
895 |
|
YVF2 225M |
4.6 |
356 |
311 |
149 |
149 |
110 |
18 |
53 |
225 |
19 |
435 |
475 |
345 |
530 |
920 |
|
YVF2 250M |
4.6 |
406 |
349 |
168 |
168 |
140 |
18 |
58 |
250 |
24 |
490 |
515 |
385 |
575 |
1005 |
|
YVF2 280S |
4.6 |
457 |
368 |
190 |
190 |
140 |
20 |
67.5 |
280 |
24 |
550 |
580 |
410 |
640 |
1120 |
|
YVF2 280M |
4.6 |
457 |
419 |
190 |
190 |
140 |
20 |
67.5 |
280 |
24 |
550 |
580 |
410 |
640 |
1170 |
ZHEJIANG QIZHI MOTOR CO., LTD. is a professional production of various kinds of small and medium-sized modern enterprise, the main products include ME2 series Grundfos high-efficiency aluminum motor, YVF2 series of frequency conversion aluminum shell speed three-phase asynchronous motor, IE1 series three-phase asynchronous motor, IE2 series three-phase asynchronous motor, IE3 series super efficient three-phase asynchronous motor, YD series pole-changing multi-speed three phase asynchronous electric motor, YDT series three-phase consequent-poles asynchronous motor, YCT series electromagnetic speedregulating motor, MS series three-phase asynchronous motor with aluminium housing, YVF2 series three-phase frequency controlled asynchronous motor, YVF2 series of frequency conversion aluminum shell speed three-phase asynchronous motor, YEJ series electromagnetic braking three-phase asynchronous motor, YC/YCL series heavy-duty single-phase capacitors start induction motor, MLYL seriessingle-phase dual-capacitor induction motor, YYB Series pump for three-phase asynchronous motor, IRG/SW Single stage single pipette centrifugal pump, CDLICDLF stainless steel vertical multistage pump, etc. OEM YVF2 series of frequency conversion aluminum shell speed three-phase asynchronous motor Factory
ZHEJIANG QIZHI MOTOR CO., LTD. depending on the talent for the enterprise development, with strong technology research and development team, has the industry's most advanced automated nc production equipment, advanced technology and equipment, usingadvanced design software for product design, perfect modern management system, strictly in accordance with "ISO-9001"national quality management system certification, production to make the success rate of new product development speed and improve, for the same industry leading level. As Custom YVF2 series of frequency conversion aluminum shell speed three-phase asynchronous motor Suppliers, the company has advanced motor testing equipment, to guarantee product quality, won the domestic andforeign customers a wide range of trust and praise, the company through the Chinese CCC certification and CQC certification, ISO-
9001 international quality system certification, CE certification, SGS certification (ROHS), and obtained the national electrical products export quality license, with our continuously innovation in the face of the market; The products sell well all over the country and exported to southeast Asia, Germany, Italy, Poland, Britain, France, the Middle East, South America, Africa, Asia, etc. More than 80 countries and regions. In domestic widely used in air compressor, washing machine, water pump, fan, mechanical industry, reducer, such as the host.
We would like to more higher quality product, more lower preferential price, complete thoughtul pre-sale, sale, after-sale service, cooperate with friends from all walks of life, hand in hand advance together, altogether will create the glorious future.
Founded in
company area
Employees
Exported countries